

- Outstanding MTF performance
- Diffraction limited optical design
- Perfect match with 5 µm pixel size
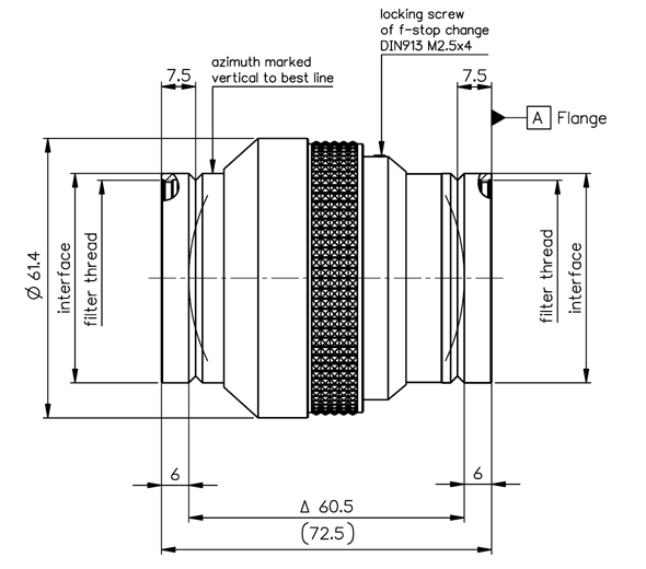
- Full-metal barrel
- Lockable aperture
- Focal length: 105 mm
- Aperture: 3.5 … 22
- Spectral range: 400-750 nm
- Camera mount: V-groove

Large format 렌즈의 배율, F/# 입력을 통해
유용한 정보를 얻을 수 있습니다.
1) Back Focal Length
2) Working Distance
3) Total Track
4) DOF
| Family | Inspec x. L |
|---|---|
| Partnumber | 0703-083-000-20 |
| Magnification range | 0.6 ~ 0.9 x |
| Magnification | 0.76 x |
| Image circle | 82 mm |
| Focal length | 105.4 mm |
| F/# | 5.6 |
| Wavelength | Visible |
| Type | Fixed focal length |
| Mount | V46 |
| Maker | Excelitas |
| 구분 | 파일명 | 다운로드 |
|---|---|---|
| 카달로그 | [2026년] 앤비젼 전제품 카달로그 | ![]() |
| 데이터시트 | Inspec.x L 5.6/105 0.76x Datasheet | ![]() |
| 3D 도면 | Inspec.x L 5.6/105 0.76x Lens 3D model (STEP) | ![]() |